Skip to content
Youngs Tank
(800) 354-5886
Home
Product Catalog
Service and Repairs
Parts
Products For Lease
Vendors
About Us
About Youngs Tank
Contact Us
Latest News
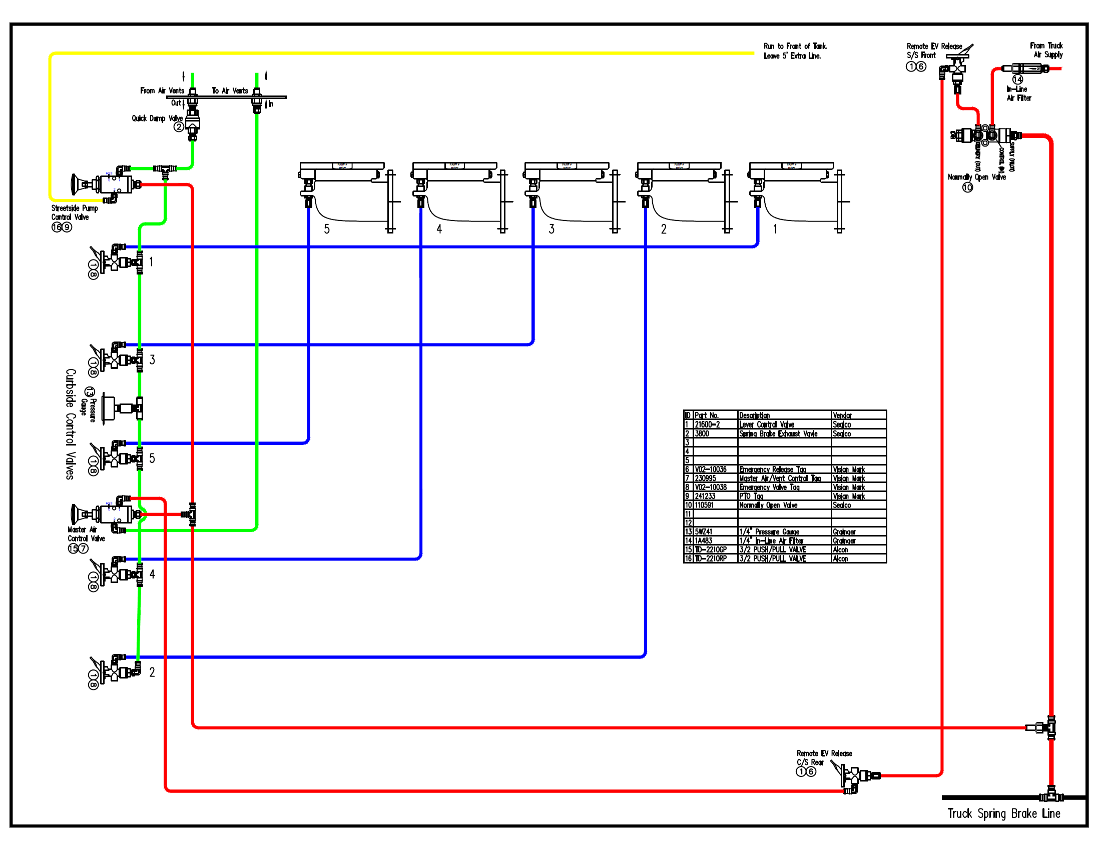
5cpt (No manifold)
Posted on
April 8, 2025
May 28, 2025
by
Wyatt Reeves
Download
Author
Wyatt Reeves
View all posts
Post navigation
4cpt Manifold Dual Pump
5cpt Manifold Dual Pump